DIY Magnetic Pulser
  • Home
  • Magnetic Pulsers
    • Magnetic Pulser up to 5 Tesla one coil
    • Magnetic Pulser up to 5 Tesla - two coils
    • Magnetic Pulser up to 3 Tesla dual coils
    • Magnetic Pulser up to 2.4 Tesla Automatic
    • Automatic Magnetic Pulser up to 2.4 Tesla with LCD
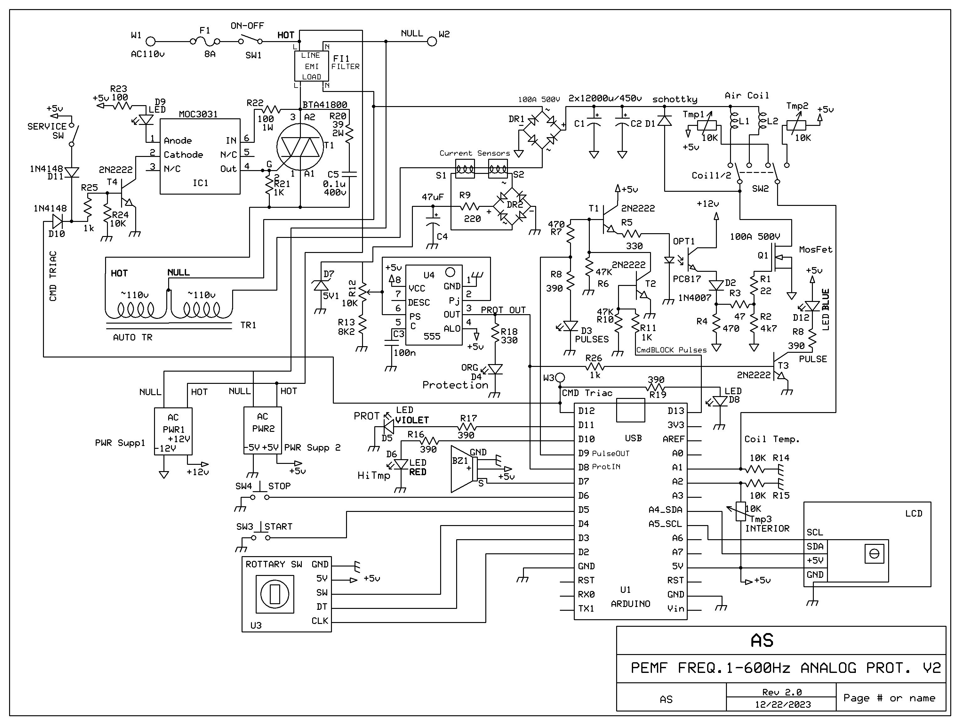
    • Frequency Magnetic Pulser 1Hz-600Hz dual coils
    • Magnetic Pulser up to 2 Tesla one coil
    • Frequency Magnetic Pulser one coil 1Hz-12Hz
  • Gallery
  • Electronic Circuits
  • Downloads
  • Blog
  • About Me

Schematic Diagram Frequency Magnetic Pulser 1Hz-600Hz dual coils