Home
Magnetic Pulsers
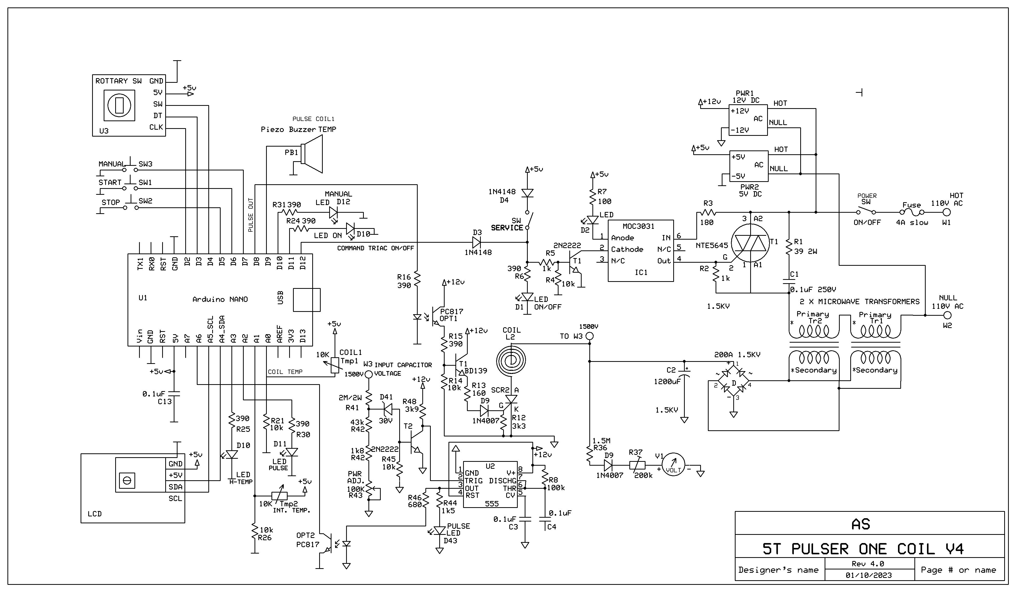
Magnetic Pulser up to 5 Tesla one coil
Magnetic Pulser up to 5 Tesla - two coils
Magnetic Pulser up to 3 Tesla dual coils
Magnetic Pulser up to 2.4 Tesla Automatic
Automatic Magnetic Pulser up to 2.4 Tesla with LCD
Frequency Magnetic Pulser 1Hz-600Hz dual coils
Magnetic Pulser up to 2 Tesla one coil
Frequency Magnetic Pulser one coil 1Hz-12Hz
Gallery
Electronic Circuits
Downloads
Blog
About Me
Schematic Diagram Magnetic Pulser 5 Tesla One coil
Schematic Diagram - Magnetic Pulser 5 Tesla - One coil